Latest Stories
Briefs Manufacturing & Prototyping
Progress Toward Carbon-Nanotube Arrays for Probing Cells
Progress has been reported in research oriented toward the goal of fabricating arrays of interconnected single-walled carbon nanotubes (SWNTs) that could serve as probes for measuring...
Briefs Mechanical & Fluid Systems
Miniature Wheel-Leg Mobile Robots
Mini-Whegs™ are small mobile robots, designed according to abstracted cockroach locomotion principles, that can run and can climb obstacles taller than themselves. Mini-Whegs are derived from larger mobile...
Briefs Mechanical & Fluid Systems
The Future of Space Propulsion
A paper presents an overview of state of the art of space propulsion, oriented toward attempting to understand recent history in order to make some predictions about future developments. As used here, "space propulsion" refers generally to what are now called "spacelift" and "spacecraft propulsion." Further, as used...
Briefs Materials
Some Advances in High-Temperature Superconductor Coatings
Several advances were made in a program focused on the science and technology of high-temperature superconductors [especially yttrium barium copper oxide ("YBCO")] deposited on normal electrical conductors. This program was part of a continuing effort to develop superconductor-coated normal...
Briefs Materials
Less-Polluting Resins for Molding Composite Structures
Liquid resins that are suitable for use in molding composite- material structural panels and that contain and emit smaller amounts of air-polluting volatile organic compounds than do...
Briefs Electronics & Computers
AlxInyGa1-x-yN Ultraviolet Light-Emitting Triodes
Light-emitting triodes (LETs) have been the focus of a program of research with a goal of increasing the quantum efficiencies of ultraviolet-lightemitting devices implemented in the...
Briefs Electronics & Computers
Advances in Organic-Based Electronic Devices
A program of research has addressed multiple topics in the field of electronic and optoelectronic devices based on polymers and other organic substances, with special attention to memory devices and...
Briefs Electronics & Computers
A Comparison of SiC-Based Devices for Use as Power Switches
A report details a survey of the state of technological development and commercial availability of SiC-based electronic devices that has been performed to evaluate the suitability of such devices as power switches in present and future applications in which high reliability and/or...
Briefs Information Technology
Simulation of a Flywheel Energy-Storage System
A computational model has been developed to simulate the operation of a laboratory flywheel energy-storage system that is a subsystem of the Flywheel Attitude Control, Energy Transmission, and Storage (FACETS) system located at Kirtland Air Force Base in New Mexico. The FACETS, which includes three...
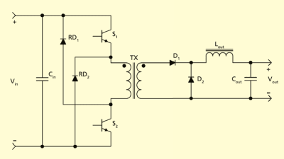
Briefs Electronics & Computers
DC Power Converter for 200°C Containing SiC Transistors
A DC-to-DC power converter, nominally rated for a power of 180 W, an input potential of 28 V, an output potential of 270 V, and a maximum operating temperature of 200°C has been...
Briefs Electronics & Computers
Protection Schemes for Advanced Shipboard Electrical Systems
A research program has made progress toward the development of schemes for protection against faults in next-generation DC zonal shipboard electrical systems (DC SESs) and for...
Briefs Physical Sciences
Biologically Inspired Processing of Image and Sound Data
A report describes progress in a research program oriented toward developing artificial-intelligence capabilities for processing images and sounds in changing environments. This research focuses on extending the state of the art in mid-level processing of visual and auditory signals,...
Briefs Photonics/Optics
Miniaturized GPS Controlled-Reception-Pattern Antenna Array
A miniaturized Global Positioning System (GPS) antenna array is being developed for use on aircraft on which the room available for installation of this or any other equipment is...
Briefs Physical Sciences
Measuring Skin Friction in Complex Flows That Include Shocks
A methodology for measuring skin friction (also known as wall shear) in complex flows typical of those inside supersonic-combustion ramjet (scramjet) engines has been developed. The...
Briefs Mechanical & Fluid Systems
Generic Miniature Airplane for Research and Development
The Air Force Research Laboratory has promulgated the geometrical design of a miniature airplane denoted the Generic Micro Aerial Vehicle (GENMAV). This design is intended to serve as a...
Briefs Mechanical & Fluid Systems
Simulations of Brush Contacts of Homopolar Motor/Generators
A computational- simulation study of distributions of electric current and temperature in brushes and slip rings in two model homopolar- motor/generator configurations was performed in...
Briefs Manufacturing & Prototyping
Experiments in Vacuum Brazing of Titanium
An experimental study of vacuum brazing of titanium and of the effects of changes in brazing alloys and brazing process conditions has been performed. [As used here, “titanium” signifies both...
Briefs Manufacturing & Prototyping
Advances in Fabrication of Nanoscale Devices
Some advances have recently been made on several fronts in a continuing effort to develop of means of fabricating electronic and magnetic devices having dimensions of the order of tens to hundreds of...
Briefs Manufacturing & Prototyping
Inexpensive Free-Form Fabrication of Titanium-Alloy Parts
A continuing effort to devise relatively inexpensive means of manufacturing titanium-alloy parts has been focused on a free-form fabrication approach. As used here, “free-form...
Briefs Photonics/Optics
Compact Megawatt Infrared Free-Electron Laser Amplifier
A proposed high-gain free-electron laser (FEL) amplifier, conceived primarily for use in a maritime environment, would be capable of average output power of the order of a megawatt at one...
Briefs Photonics/Optics
Advances in Materials for Photonic Applications
Air Force Research Laboratory, Wright-Patterson Air Force Base, Ohio Aprogram of research has addressed multiple topics in the design, development, characterization, and utilization of new...
Briefs Electronics & Computers
Monitoring and Charging System for a High-Power Battery
Figure 1 is a simplified block diagram showing (1) a high-power rechargeable battery comprising multiple series-connected modules, each module containing multiple series-connected...
Briefs Electronics & Computers
Quantum Network Testbed
A document describes the world’s first quantum network testbed — an Internet-compatible fiber-optic data-communication network that is kept extremely secure by use of encryption with quantum key distribution (QKD). The testbed, located in the Boston metropolitan area, includes ten nodes, of which four run continuously...
Briefs Electronics & Computers
Time Coding of Asynchronously Transmitted Multi-Source Data
A method of time coding of asynchronously transmitted data from multiple sources has been invented. The method is especially applicable to a data-acquisition and transfer system that...
Briefs Materials
Making Ultra-Hydrophobic Textured Silicone-Rubber Surfaces
Silicone-rubber surfaces microscopically textured in such a manner as to render them ultra-hydrophobic have been fabricated by a method in which breath figures are utilized. Originally,...
Briefs Materials
High-Temperature Resins for Composite Materials
Improved, readily processable thermosetting polymer resins are being developed for use as matrix materials in composite-material structures in applications in which there are requirements for...
Briefs Materials
High-Strain-Rate Tests of Epoxy/Aluminum-Powder Composites
Initial tests have been performed in a continuing experimental study to determine selected mechanical properties, at high strain rates, of an epoxy and of composite materials consisting...
Briefs Materials
Continuous Carbon Nanofibers for Structural Composites
A program of research has addressed key issues in the production of continuous carbon nanofibers and the utilization of carbon nanofibers as the reinforcing components in matrix/fiber...
Briefs Information Technology
Development of Adaptive and Reflective Middleware
A report describes Phase II of the Adaptive and Reflective Middleware Systems (ARMS) program, which was focused on developing an adaptive and reflective network Quality-of-Service (QoS) infrastructure for the Total Ship Computing Environment (TSCE). Conceived for the next generation of Navy surface...
Top Stories
NewsRF & Microwave Electronics
Microvision Aquires Luminar, Plans Relationship Restoration, Multi-industry Push
INSIDERAerospace
A Next Generation Helmet System for Navy Pilots
INSIDERDesign
New Raytheon and Lockheed Martin Agreements Expand Missile Defense Production
INSIDERMaterials
How Airbus is Using w-DED to 3D Print Larger Titanium Airplane Parts
NewsPower
Ford Announces 48-Volt Architecture for Future Electric Truck
ArticlesAR/AI
Webcasts
Aerospace
Cooling a New Generation of Aerospace and Defense Embedded...
Automotive
Battery Abuse Testing: Pushing to Failure
Transportation
A FREE Two-Day Event Dedicated to Connected Mobility
Unmanned Systems
Quiet, Please: NVH Improvement Opportunities in the Early Design Cycle
Transportation
Advantages of Smart Power Distribution Unit Design for Automotive &...
Energy
Sesame Solar's Nanogrid Tech Promises Major Gains in Drone Endurance



