DC Power Converter for 200°C Containing SiC Transistors
This is a prototype of power converters for high-temperature applications such as automobile and aircraft engines.
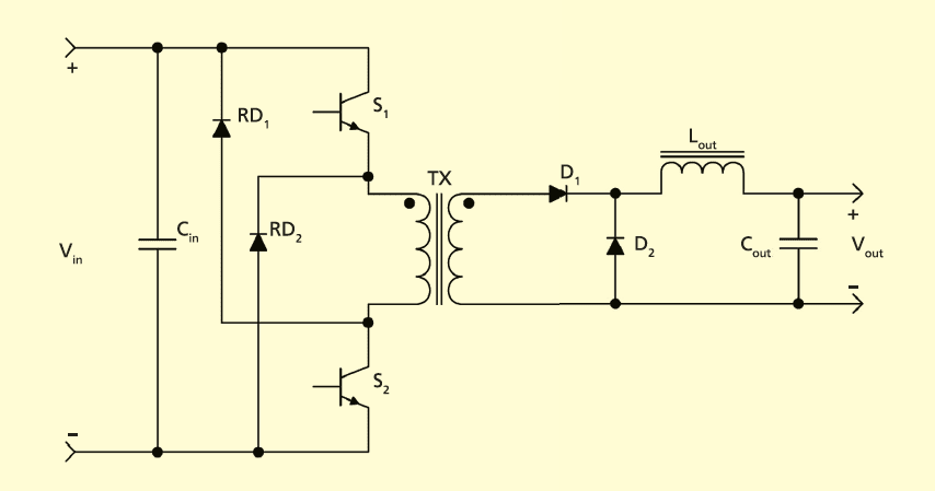
A DC-to-DC power converter, nominally rated for a power of 180 W, an input potential of 28 V, an output potential of 270 V, and a maximum operating temperature of 200°C has been designed, built, and tested. This power converter serves as a prototype for further development of power converters required to be capable of operating in high-temperature environments in diverse settings, including automobile, aircraft, and spacecraft engines, and oil and gas wells.

During each switching cycle, the power converter proceeds through three successive modes of operation:
- An energy-transfer mode in which S1 and S2 are on and D1 conducts;
- A transformer-reset mode in which (1) RD1 and RD2 conduct, applying reverse input potential to the primary winding of the transformer and (2) the output inductor current freewheels through D2; and
- A dead-time mode in which S1 and S2 are off and RD1 and RD2 are not conducting while the output inductor current is freewheeling through D2.
Because of the manner in which the magnetic flux in the transformer core is reset in this switching cycle, the duty cycle is limited, in principle, to no more than 1⁄2. In the design of this power converter, a practical duty-cycle value of 0.45 is used. One key advantage of the design is that the transformer leakage-inductance energy is fed back to the input capacitor via RD1 and RD2. Another advantage is that the maximum voltage stress on S1, S2, RD1, and RD2 is limited to the input voltage, so that primary side snubber circuits are not needed. Yet another advantage is that voltage shootthrough is absent because S1 and S2 are turned on and off simultaneously.
In tests, this power converter was found to be capable of operating, as intended, at temperatures up to 200°C. In a contemplated update of the design, the input capacitor would be replaced by one rated for higher temperature in the hope of enabling operation up to at least 250°C. Also under consideration are implementation of a higherpower version using a full bridge topology and the replacement of the SiC bipolar junction transistors with SiC junction fieldeffect transistors or metal oxide/semiconductor field-effect transistors.
This work was done by James D. Scofield and Brett Jordan of the Air Force Research Laboratory, Biswajit Ray of Bloomsburg University of Pennsylvania, and Hiroyuki Kosai of UES, Inc.
Top Stories
INSIDERDefense
F-35 Proves Nuke Drop Performance in Stockpile Flight Testing
INSIDERMaterials
Using Ultrabright X-Rays to Test Materials for Ultrafast Aircraft
INSIDERManufacturing & Prototyping
Stevens Researchers Test Morkovin's Hypothesis for Major Hypersonic Flight...
INSIDERManufacturing & Prototyping
New 3D-Printable Nanocomposite Prevents Overheating in Military Electronics
INSIDERRF & Microwave Electronics
L3Harris Starts Low Rate Production Of New F-16 Viper Shield
INSIDERRF & Microwave Electronics
Webcasts
Energy
SAE Automotive Engineering Podcast: Additive Manufacturing
Manufacturing & Prototyping
A New Approach to Manufacturing Machine Connectivity for the Air Force
Automotive
Optimizing Production Processes with the Virtual Twin
Power
EV and Battery Thermal Management Strategies
Energy
How Packet Digital Is Scaling Domestic Drone Battery Manufacturing
Materials
Advancements in Zinc Die Casting Technology & Alloys for Next-Generation...



