Latest Stories
Briefs Materials
Performance Evaluation of Commercial Carbon Monofluoride Materials in Lithium Batteries
The performance of six different commercially available carbon monofluoride (CFx) materials was evaluated at four different discharge rates. The physical...
Briefs Physical Sciences
Modular, Portable, and Reconfigurable Wireless Sensing System
A modular, portable, reconfigurable wireless sensor system monitors and records environmental conditions in an aircraft cabin. By designing a sensor system that can be easily...
Briefs Physical Sciences
Indoor Navigation for Unmanned Aerial Vehicles
This research proposed the use of inexpensive, lightweight range sensors for indoor unmanned aerial vehicle (UAV) navigation. Two potential range sensors were tested for suitability and error...
Briefs Electronics & Computers
Silicon Carbide Junction Field-Effect Transistor Devices for Scalable Solid-State Circuit Breakers
Power electronic converters functioning as components in high-power systems, such as those of hybrid military ground vehicles, require fast fault...
Briefs Electronics & Computers
Effects of Differing Carbon Nanotube Field-Effect Transistor Architectures
Understanding the differing methods and materials that can be used for producing carbon nanotube (CNT)- based electronic components means an informed use of materials...
Briefs Electronics & Computers
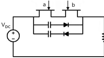
Low-Power Circuit for an Electromagnetic Warning System Sensor
Low-power sensors are important to the Army for monitoring infrastructure of the lifecycle of an operation. Isotope batteries can power and operate compact, low-power sensors for...
Briefs Physical Sciences
Power for Micro Autonomous Systems
The Micro Autonomous Systems and Technology (MAST) Collaborative Technology Alliance (CTA) has been initiated to spur basic research in small autonomous robots, particularly in four main areas: Microsystem...
Briefs Electronics & Computers
High Assurance Virtualization Engine (HAVEN)
Virtualization technology has been around since the late 1960s. Initially, it was conceived to maximize utilization of expensive hardware by running multiple instances of an operating system (OS)...
Briefs Materials
Characterization of High-Temperature Polymer Thin Films for Power Conditioning Capacitors
Wide bandgap semiconductors (e.g., silicon carbide) will enable operation of military systems at temperatures above 150 °C, which eases thermal...
Briefs Materials
RF Polymer Composites for Electromagnetic Systems
Design of polymer composites with specific engineered electromagnetic properties are of use in a variety of physical electromagnetic systems above 100 MHz. In physical electromagnetic systems such as GPS, radomes, WiFi, etc., proper choice of the material can be transformative in that it can yield...
Briefs Materials
Modeling Defects in Transparent Ceramics to Improve Military Armor
The dominant materials solution used for ballistic transparency protection of armored tactical platforms in commercial and military applications is low-cost glass backed by...
Briefs Materials
Validation of Hazardous Air Pollutant (HAP)-Free Torque Seal Inspection Lacquer
The Army uses numerous adhesives and sealants, among other coating materials, that contain significant amounts of hazardous air pollutants (HAPs). This work...
Briefs Electronics & Computers
Wireless Network Cocast: Location-Aware Cooperative Communications with Linear Network Coding
In wireless networks, reducing aggregate transmit power and having even power distribution increase the network lifetime. The conventional direct transmission (DTX) scheme results in high aggregate transmit power and uneven power distribution. In...
Briefs Electronics & Computers
Memory-Based, Structured, Application-Specific Integrated Circuit (ASIC)
For air, space, and ground-based systems, there is a clear need for high-performance, lightweight, low-power, highly reliable computing on data-intensive applications. A...
Briefs Photonics/Optics
Solid-State, High-Energy Lasers Based on Rare-Earth Doped Gallium Nitride
Laser-based directed-energy weapons (DEW) are important components for future Army missile defense systems. The diode-pumped, rare-earth (RE)-doped, solid-state laser is a very promising path towards achieving a DEW-sufficient level of average power from a reasonably compact...
Briefs Photonics/Optics
Analysis of Analog Photonic Links Employing Multiple-Channel (Arrayed) Receivers
Analog optical links are finding increased application in commercial and military systems ranging from radio-over-fiber applications, antenna remoting, and optical...
Briefs Photonics/Optics
Photonic Recirculating Delay Line for Analog-to-Digital Conversion
Aconventional analog fiber-optic link can be augmented with a recirculating optical delay loop so as to realize an optically assisted analogto- digital converter (ADC) that...
Briefs Photonics/Optics
Design and Development of a Package for a Diluted Waveguide Electro-Absorption Modulator
Externally coupled electroabsorption modulators (EAMs) are commonly used in order to transmit RF signals on optical fibers. Recently, an alternative device...
Briefs Mechanical & Fluid Systems
Developing Fleets of Autonomous Underwater Vehicles
Autonomous underwater vehicles (AUVs) have a demonstrated capability to collect valuable data for scientific and military purposes. Historically, individual vehicles have been used. To reduce the overall time and cost of acquiring data over large areas, multiple vehicles must be used. A fleet of...
Briefs Mechanical & Fluid Systems
Stability Analysis of Distributed Engine Control Systems
Full Authority Digital Engine Control (FADEC), based on a centralized architecture framework, is being widely used for gas turbine engine control. However, current FADEC is not able to...
Briefs Information Technology
Optimized Robust Adaptive Networks in Supervisory Control and Data Acquisition Systems
The Electric Power and Communica - tion Synchronizing Simulator (EPOCHS) system could provide great benefits to private industry and Department of Defense (DoD) power systems infrastructure by allowing simultaneous, synchronous simulation of communication and...
Briefs Information Technology
Evolvable Approaches to Software Verification and Validation
Research was conducted to integrate and advance current techniques in compilers, hardware architectures, and security to develop novel techniques to protect against physical attacks on encrypted embedded systems. The innovation in the approach was in exploiting the power of integrated...
Briefs Physical Sciences
Frangible Polymer Circuit Acts as Tamper Sensor
Originally begun as an investigation to detect attempts to tap into an electrical cable, the emergence of modern encryption hardware rendered impractical attempts to protect communication media...
Briefs Electronics & Computers
Cooperative Single-Antenna Node Networks
Future tactical networks will be complex, with severe constraints on energy and bandwidth, operating in dynamic and unpredictable environments. By exploiting the broadcast nature of the wireless medium and spatially dispersed nodes, some of these advantages can be realized through cooperation among...
Briefs Electronics & Computers
Dynamics of Epitaxy on Nano-Sized Semiconductor Surfaces
Semiconductor self-assembled quantum dots (QDs) have emerged as one of the simplest subjects for exploring and exploiting the physics and device applications of charge carriers and...
Briefs Data Acquisition
Multi-Agent Software for Airspace Control in the Combat Zone
AGENTFLY software is part of a computer-based system technology that will enhance airspace operation, providing ever-increasing support to personnel without freeing them from the ultimate responsibility. AGENTFLY features distributed coordination mechanisms based on collective...
Briefs Materials
Multifunctional Properties of Structural Gel Electrolytes
Due to the demand for more advanced and lightweight systems, multifunctional composite structures that can function as electrochemical energy converters, while bearing mechanical load, are in development. This research involves a materials-based approach in which each component of the system...
Briefs Information Technology
Method for Detecting Planar Surfaces in Outdoor Urban Environments
The ability to detect and recognize buildings is important to a variety of vision applications operating in outdoor urban environments. These include landmark recognition,...
Briefs Physical Sciences
Characterizing Turbulent Wind Flow Near a Wind Barrier Using Sonic Anemometers
The Holloman High Speed Test Track (HHSTT) facility at Holloman Air Force Base (HAFB), NM, has a test section of 1.8 km that contains an artificial rain field...
Top Stories
INSIDERRF & Microwave Electronics
FAA to Replace Aging Network of Ground-Based Radars
PodcastsDefense
A New Additive Manufacturing Accelerator for the U.S. Navy in Guam
NewsSoftware
Rewriting the Engineer’s Playbook: What OEMs Must Do to Spin the AI Flywheel
Road ReadyPower
2026 Toyota RAV4 Review: All Hybrid, All the Time
INSIDERDefense
F-22 Pilot Controls Drone With Tablet
INSIDERRF & Microwave Electronics
L3Harris Starts Low Rate Production Of New F-16 Viper Shield
Webcasts
Automotive
Hydrogen Engines Are Heating Up for Heavy Duty
Power
SAE Automotive Podcast: Solid-State Batteries
Energy
SAE Automotive Engineering Podcast: Additive Manufacturing
Manufacturing & Prototyping
A New Approach to Manufacturing Machine Connectivity for the Air Force
Software
Optimizing Production Processes with the Virtual Twin



