Protecting AV Control Circuits
The mission-critical subsystems must be robust and reliable to ensure driver and passenger safety.

The safety and convenience offered by autonomous vehicles (AVs) cannot be achieved unless the vehicle’s electronic circuits are highly reliable and robust to electrical shocks. Designers can substantially reduce the risk of circuit failures by providing overcurrent protection, transient surge protection, electrostatic discharge (ESD) protection, and reverse polarity protection. Strategies for circuit protection should begin with three mission-critical AV subsystems: camera, radar, and ADAS.
Protecting the camera subsystem
In AVs, multiple cameras provide essential forward and backward vision, and work together to provide depth perception and convert visual light through a CCD/CMOS (charge coupled device/complementary metal-oxide semiconductor) image sensor into electronic signals sent to a communication and control circuit. The circuit blocks in a camera subsystem are shown in Fig. 2. The key blocks that require protection components are the blocks that connect with external circuitry.
The camera power supply subsystem requires protection from three potential sources of damage: overcurrents, high energy transients, and ESD. A fuse provides overcurrent protection. Designers can select either a conventional one-time-blow ceramic fuse or a polymer-based, positive temperature coefficient (PPTC) resettable fuse. Both components can have wide temperature ratings for automotive requirements.
The PPTC has the advantage of not needing replacement if an overcurrent condition occurs. This specialized fuse substantially increases in resistance in response to the heat generated by an overcurrent. When the overcurrent is removed, the PPTC recovers to a low resistance and resets the circuit. Both component types have surface-mount packages to save valuable PC board space.
Besides overcurrents, power supply circuits need protection from high energy transients caused by in-vehicle sources such as motors energizing and de-energizing. The circuitry must be capable of withstanding transients defined by ISO Standards 7637 and 16750. Compliant components include transient voltage suppressor (TVS) diodes, which can safely absorb both low-energy transients and high-energy transients as specified in Pulses 1, 2, 3 and 5 in the above-referenced standards.
Transceiver solutions
To avoid catastrophic failure if the polarity of the voltage to the power supply is accidently reversed, designers can insert a Schottky diode in series with the fuse. While providing reverse polarity protection, the diode’s low forward voltage drop will have a minimal impact on power supply performance.
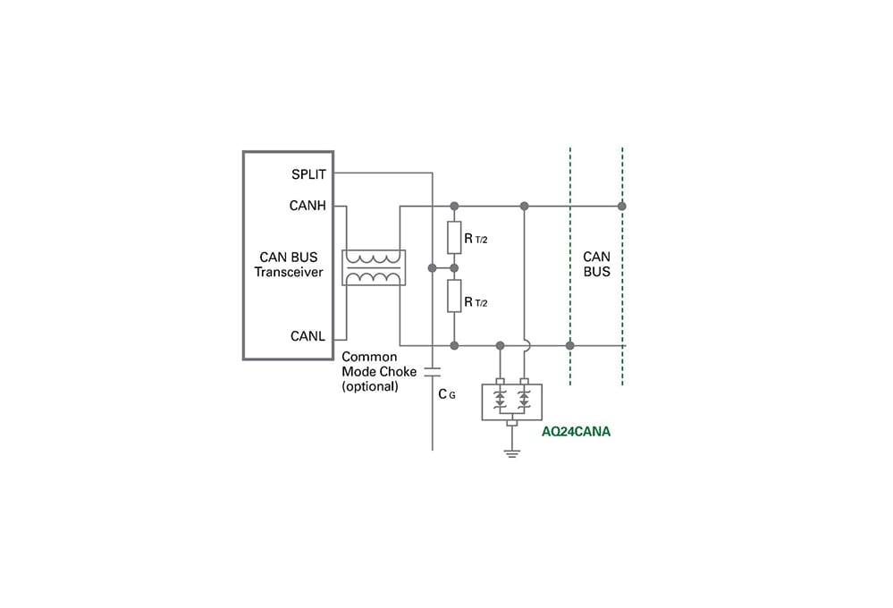
The Controller Area Network (CAN) protocol transceiver needs protection from ESD, fast electrical transients, and other overvoltage transients. Diode arrays have high ESD robustness with models having 30-kV air and 30-kV contact discharge capabilities. These devices are used to help designers meet the ISO 10605 standard for ESD in road vehicles. Furthermore, with the capacitance of about 15 pF and leakage current under 1 µA, the diode arrays do not interfere with protocol transmissions. These devices also survive the automotive environment with a temperature operating range of -40°C to +150°C.
The recommended circuit for protecting a CAN transceiver is shown in Fig. 3. A two-channel diode array protects both the high and low lines. A single protection component helps to reduce pick-and-place costs in production. The Ethernet transceiver, like the CAN transceiver, needs ESD protection. Diode arrays and polymer ESD suppressors can provide the necessary protection for the high-speed differential data lines. Models of these diode arrays can provide up to ±30 kV ESD protection and can protect a differential line pair in a single package for space savings. An 0402 version is also available as a discrete component to allow for the PC board layout flexibility.
In systems where the capacitance must be absolutely the lowest, the polymer ESD suppressor (AXGD1 series) with 0.04pF can be considered. With capacitance this low, it does not impede 1-Gbit Ethernet transmission rates. An example of the configuration and component that is consistent with recommendations from the OPEN Alliance Ethernet organization is shown in Fig. 4.
The most important circuit block is the image sensor block – a bipolar, low-capacitance protection component. This diode can withstand an ESD strike of up to ±30 kV and has extremely low leakage current (typical values of under 10 nA) and capacitance around 0.35 pF. For space efficiency, this ESD diode is available in an ultra-small, 1.0-mm x 0.5-mm SOD882 package.
Protecting the camera subsystem’s four circuit blocks that interface with external circuitry and the external environment will ensure a robust, reliable, visible light detection system. Using the recommended components as close as possible to the circuit inputs will keep extraneous energy from damaging critical circuits.
Protecting the radar subsystem
The radar subsystem provides the input for the important forward and side pedestrian detection and collision-avoidance functions. As shown in the Fig. 5 block diagram, the radar subsystem circuit has two DC power supplies. A low-noise supply powers the analog radar transmitter and the radar receiver circuit blocks. A conventional power supply powers the logic and communication circuits. Like the camera subsystem power supply, the radar subsystem power supplies need overcurrent protection, transient surge protection, reverse polarity, and ESD protection.
One set of components can protect both supplies from overcurrents and reverse polarity. Again, the designer can select from either a conventional surface-mount fuse or a PPTC resettable fuse. A low forward voltage, Schottky diode, in series with the input line to both supplies will provide reverse polarity protection for the power supplies and for all the radar subsystem circuit blocks. Designers should provide individual supplies with surge protection at the input to each supply.
TVS diodes are the recommended surge protection component. Designers choose the TVS diode based on its transient power rating (400W/600W for low power transients and 1,500W to 7,000W for high power transients) to protect the power supplies. The waveform generator and the analog front-end are part of the radar transmitter and radar receiver, respectively. They are separated from the transmitter and receiver blocks (in Fig. 5) since the addition of protection components on the transmitter output and receiver input blocks would alter their transmission and reception impedance. The protection components safeguard as much of the circuits as possible.
A bipolar component similar to the ESD diode recommended for the image sensor in the camera subsystem will provide the necessary ESD protection. As with the camera subsystem, the radar subsystem transmits its information to the vehicle’s central processing subsystem. Bipolar diode arrays provide ESD protection for both the high and low side of CAN I/O lines. The Ethernet transceiver can use either diode arrays or polymer ESD suppressors to minimize signal distortion and not impact the Ethernet transmission rate.
Protecting ADAS communication and control
The signal processing, communication, and control subsystem (Fig. 6) operate the vehicle. It must be robust, reliable, and failsafe. The circuit must identify other vehicles in traffic, may need to make fast stops due to an animal or person obstructing the vehicle’s path, and needs to have a fail-safe response to a failed sensor. Failsafe firmware is critical but so is hardware that is capable of surviving transient energy strikes. All the circuit blocks that supply information to the controller need protection from ESD.
The power supply requires overcurrent protection, surge protection, and reverse polarity protection. The fuse for this supply can be located within the module or further upstream in the vehicle’s low voltage junction box. A TVS diode, selected by its surge power rating, provides the necessary surge transient protection. A Schottky diode in series with the power supply input line provides reverse voltage polarity protection.
Each communication link requires ESD protection that is designed for the unique performance and configuration of each port. The table below lists the communication protocols used in the ADAS communication and control subsystem and their different data rates. Designers can select from a wide range of diode arrays and polymer ESD suppressors with unique characteristics to protect each communication link without compromising its data rate or its high-to-low voltage differential.

Any signal lines connecting directly to the DSP circuit block should have ESD protection. Designers can use diode arrays or polymer ESD suppressors that provide bipolar protection for both the high and low signal lines. Designers have a broad range of components that they can use to protect circuitry from the potential stresses noted above. Reliance on AEC-Q qualified components can both accelerate compliance with standards certification bodies while giving the designer confidence that the components will provide the necessary level of protection.
Jim Colby is a marketing engineer at Littelfuse. He can be reached at
Top Stories
NewsSensors/Data Acquisition
Microvision Aquires Luminar, Plans Relationship Restoration, Multi-industry Push
INSIDERRF & Microwave Electronics
A Next Generation Helmet System for Navy Pilots
INSIDERWeapons Systems
New Raytheon and Lockheed Martin Agreements Expand Missile Defense Production
NewsAutomotive
Ford Announces 48-Volt Architecture for Future Electric Truck
INSIDERAerospace
Active Strake System Cuts Cruise Drag, Boosts Flight Efficiency
ArticlesTransportation
Webcasts
Aerospace
Cooling a New Generation of Aerospace and Defense Embedded...
Energy
Battery Abuse Testing: Pushing to Failure
Power
A FREE Two-Day Event Dedicated to Connected Mobility
Automotive
Quiet, Please: NVH Improvement Opportunities in the Early Design Cycle
Electronics & Computers
Advantages of Smart Power Distribution Unit Design for Automotive &...
Unmanned Systems
Sesame Solar's Nanogrid Tech Promises Major Gains in Drone Endurance



