DEVCOM Forms International Partnership to Study Superhard Materials
Developing world-class advanced technology for soldiers on the battlefield is a key part of the U.S. Army Combat Capabilities Development Command’s (DEVCOM) mission. Many of the technologies stem from partnerships between DEVCOM and its global network of academic, industry, and governments, including a project with the DEVCOM Army Research Laboratory; the DEVCOM-Atlantic International Technology Center Northern Europe; and the Fraunhofer Institute for Ceramics Technologies and Systems in Germany.
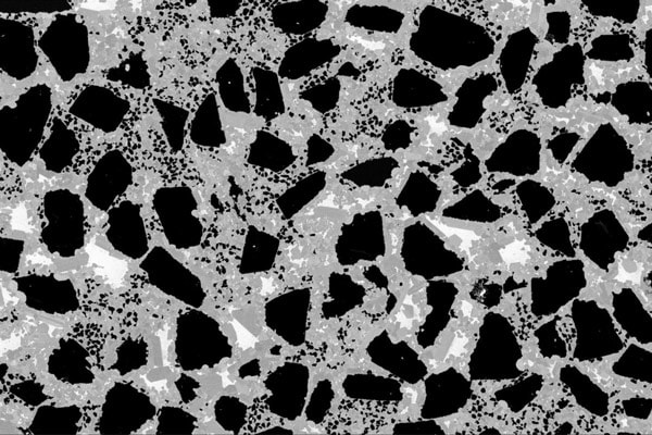
The team is exploring how superhard, diamond-reinforced silicon carbide composites can be applied to various Army technologies. The project, which began in 2020, is a three-year cooperative agreement between DEVCOM and the Fraunhofer Institute for Ceramic Technologies and Systems. The initial objective of the project was to understand the effects of various processing parameters on manufacturing fully dense, superhard diamond-reinforced silicon carbide composites and evaluate their properties. However, the team is exploring how the material can be used in other ways, such as in thermal management, corrosion and wear resistant applications.
“This project explored various ways to use this emerging material technology, which has a unique combination of extreme hardness, thermal shock resistance and mechanical strength. These qualities enable superhard diamond-reinforced silicon carbide composite components to perform exceptionally well in thermal management and wear resistant applications,” said Anthony DiGiovanni, Ph.D., DEVCOM ARL materials engineer.
DEVCOM ARL and DEVCOM-Atlantic ITC Northern Europe provided initial funding for the project and worked with the Fraunhofer Institute, which is an international expert in developing this material technology. The teams initially planned to visit each other’s facilities to strengthen collaboration, but the COVID-19 pandemic curtailed international travel, so meetings were held virtually. When travel reopened in 2021, the DEVCOM-Atlantic ITC Northern Europe team visited the Fraunhofer Institute in Germany to get an update on the project and tour the facility.
The project not only meets DEVCOM ARL’s programmatic requirements — it also enables DEVCOM ARL to collaborate with its broader network of partners to modify diamond-based materials to achieve significant performance improvements for thermal management and wear resistant applications without significantly increasing cost, size or weight. Fully mature, diamond-reinforced ceramic composites may provide solutions to a myriad of challenges related to technologies that the Army is developing to support its six modernization priorities.
The ITCs, which are part of DEVCOM’s global enterprise, serve as the forward-deployed "eyes and ears" of the Army Science and Technology Enterprise. The ITCs use a central DEVCOM ARL Army Research Office database and an ARO grants process to manage approved international research and technology projects and to keep DEVCOM leaders informed on the projects.
Top Stories
NewsSensors/Data Acquisition
Microvision Aquires Luminar, Plans Relationship Restoration, Multi-industry Push
INSIDERRF & Microwave Electronics
A Next Generation Helmet System for Navy Pilots
INSIDERWeapons Systems
New Raytheon and Lockheed Martin Agreements Expand Missile Defense Production
NewsAutomotive
Ford Announces 48-Volt Architecture for Future Electric Truck
INSIDERAerospace
Active Strake System Cuts Cruise Drag, Boosts Flight Efficiency
ArticlesTransportation
Webcasts
Aerospace
Cooling a New Generation of Aerospace and Defense Embedded...
Energy
Battery Abuse Testing: Pushing to Failure
Power
A FREE Two-Day Event Dedicated to Connected Mobility
Automotive
Quiet, Please: NVH Improvement Opportunities in the Early Design Cycle
Electronics & Computers
Advantages of Smart Power Distribution Unit Design for Automotive &...
Unmanned Systems
Sesame Solar's Nanogrid Tech Promises Major Gains in Drone Endurance



